PLC-HPT-24DC/230AC/10 - 2905215

PLC-INTERFACE, relé de estado sólido híbrido incl. relé de bypass con conexión push-in, para montaje sobre carril NS 35/7,5, entrada: 24 V DC, salida: 24 V AC-253 V AC/10 A.

Image

None

A00033675

+
Image

None

Corriente continua límite

+
Image

None

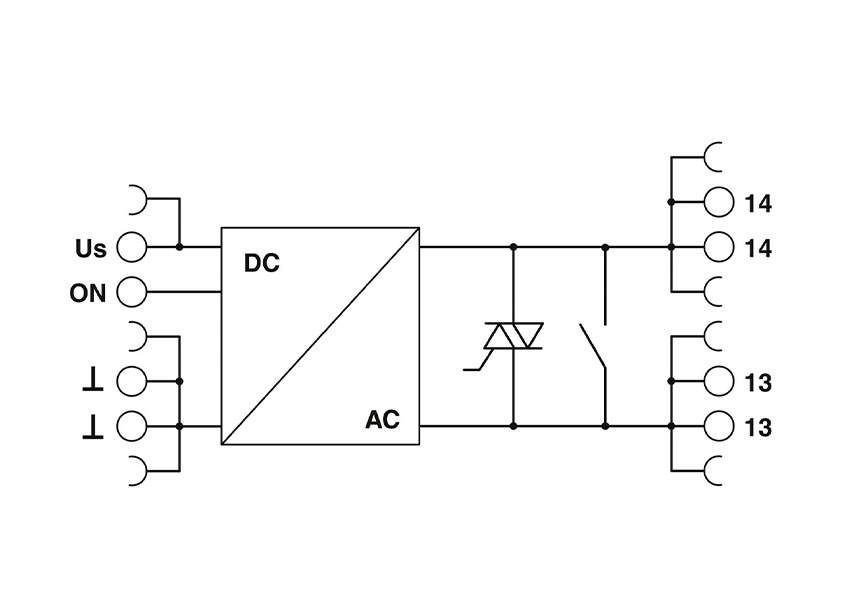
Diagrama

+