EMG 17-REL/KSR- 48/21-21-LC - 2940401

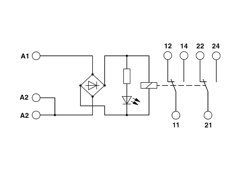
Módulo de relés, con mini-relé de conmutación soldado, contacto (AgNi): Potencias medianas hasta grandes, 2 contactos conmutados, tensión de entrada 48 V AC/DC.

Image

None

A00000266

+
Image

None

Diagrama

+