PLC-RSC-125DC/21AU - 2980034

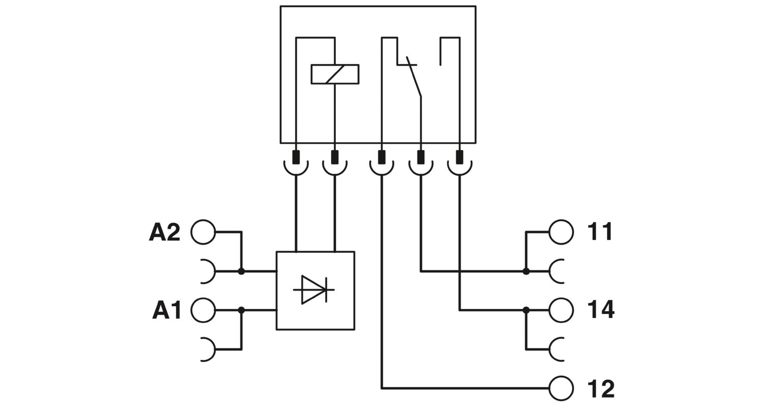
Interfaz PLC, compuesta por bloque de terminales básico PLC-BSC.../21 con conexión por tornillo y relé miniatura enchufable con contacto de oro multicapa, para montaje sobre carril DIN NS 35/7,5, 1 contacto inversor, tensión de entrada 125 V DC.

Image

10 en Stock SPS / 0 Stock Zona Libre

A00036740

+
Image

None

Conexión

+