PLC-RSC-120UC/21-21 - 2967086

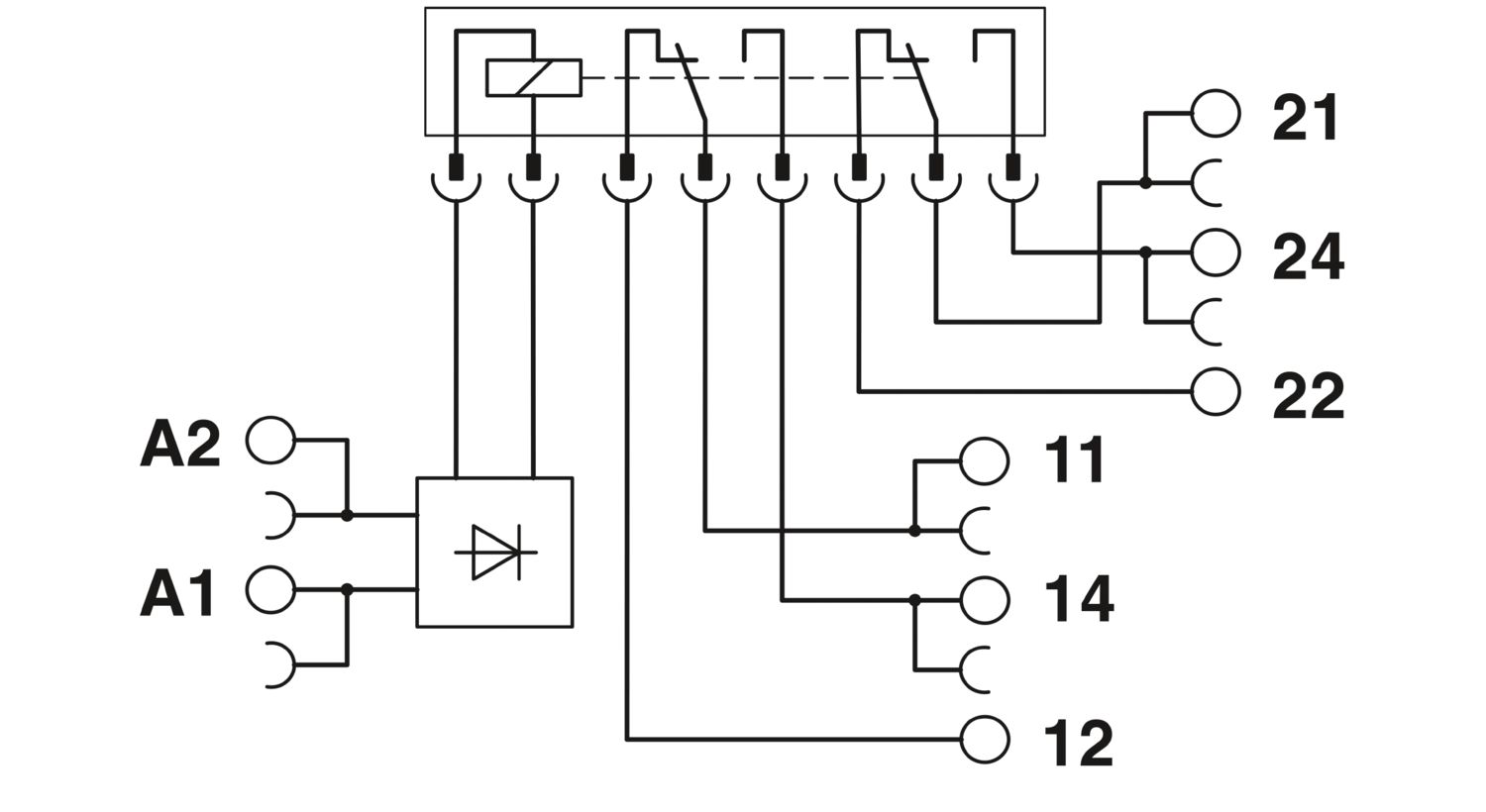
Interfaz PLC, compuesta por bloque de terminales básico PLC-BSC.../21 con conexión por tornillo y relé miniatura enchufable con contacto de potencia, para montaje en carril DIN NS 35/7,5, 2 contactos inversores, tensión de entrada 120 V CA/110 V CC.

Image

0 en Stock SPS / 0 Stock Zona Libre

A00000278

+
Image

None

Conexión

+