2901999 - MINI MCR-2-I-I-PT

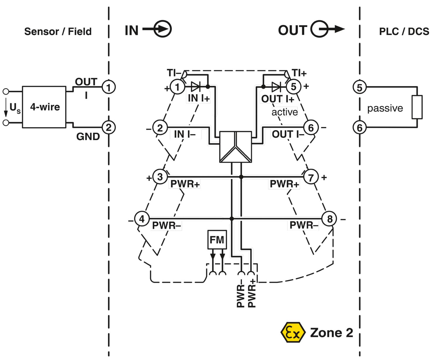
Amplificador de separación de 3 vías con técnica de conexión enchufable para separación galvánica de señales analógicas. Señal de entrada: 0(4) mA ... 20 mA, señal de salida: 0(4) mA ... 20 mA, técnica de conexión push-in.

Image

None

A00025413

+
Image

None

None

+