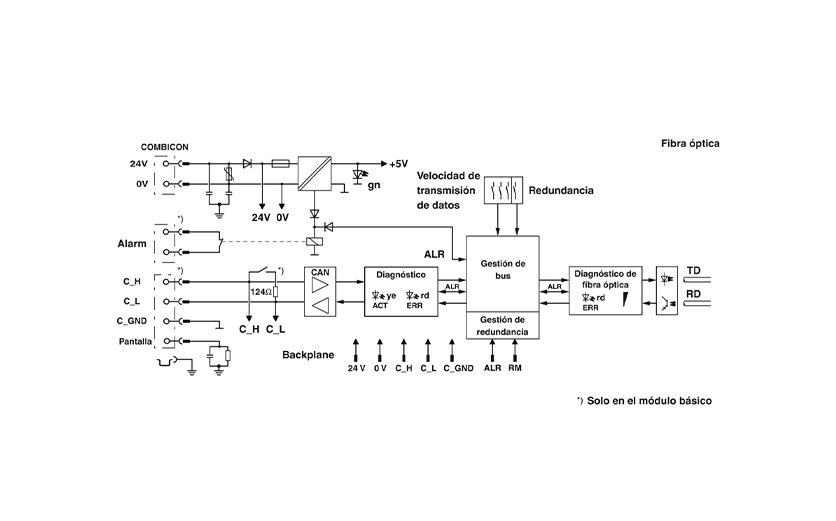
2708083 - PSI-MOS-DNET CAN/FO 850/BM

Convertidor de fibra óptica, con diagnóstico óptico integrado, para DeviceNet™, CAN, CANopen® hasta 800 kBit/s, módulo básico, interfaces: 1 x CAN, 1 X alarma, 1 x fibra óptica (BFOC), 850 nm, para cables PCF/de fibra de vidrio (multimodo)

Image

None

A00034332

+
Image

None

Estructura en linea

+
Image

None

Estructura en estrella

+
Image

None

Línea derivada / línea derivada redundante

+
Image

None

Estructura en árbol

+
Image

None

Sólo en el módulo de base

+