ELR 3- 24DC/500AC-16 - 2297235

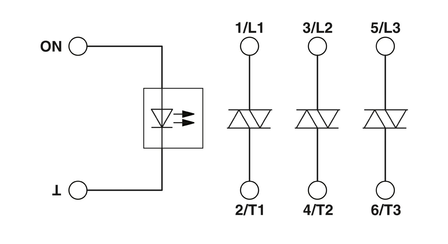
EL ELR 3-24DC/500AC-16 es una contactor semiconductor de tres fases. Funciona con una entrada de mando de 24 V DC y una corriente de accionamiento de 8.3mA. La salida conmuta una tensión de servicio de 48 V AC a 575 V CA con una corriente de nominal de 16 A. Permite una alta frecuencia de conmutación de <10Hz y realiza la conmutación a tensión nula. Incluye protección contra inversión de polaridad y sobretensiones en la entrada, además de un diodo supresor.

Image

Opera a través de una señal de control de 24 V DC aplicada en sus bornes A1 y A2. Esto activa un circuito semiconductor interno que conmuta la carga trifásica. la conmutación se realiza a tensión nula, lo que minimiza los picos de corriente.

Operación del Contactor

+
Image

A medida que la temperatura ambiente aumenta, la capacidad del contactor semiconductor para disparar el calor, se reduce. Por lo tanto, para evitar el sobrecalentamiento, la corriente de salida permitida debe disminuirse proporcionalmente.

Curva de Reducción de Carga

+