PR1-RSC3-LV-230AC/2X21 - 2834517

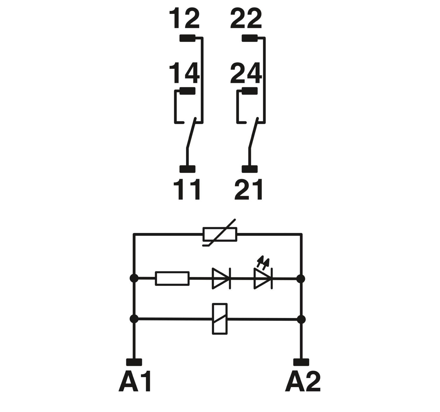
El módulo de relé electromecánico cuenta con dos contactos inversores (DPDT) y se controla con una tensión nominal de 230 V AC y una corriente con 3,6mA. Puede operar en un rango de temperatura de 20 a 50C y tiene vida útil mecánica de 20 millones de ciclos. La conexión se realiza mediante terminales de tornillo que admiten conductores con secciones de 0.25mm2 a 2.5mm2. Controla cargas en sistemas de automatización industrial y la interfaz entre PLCs y elementos de potencia en cuadros de control.

Image

Cada contacto inversor (SPDT) opera de forma independiente y tiene la capacidad de conmutar una carga eléctrica al ser activado el relé

Diagrama de Contactos

+